Philips BSN 400 K407-ITS 230/240V 50Hz BC3-166
- Gratis verzending vanaf € 149 incl. BTWGratis verzending vanaf € 123 excl. BTW
- Zakelijke klant? Koop op rekening
- Gemakkelijk retourneren binnen 14 dagen
Specificaties
|
i
De aanbevolen hoeveelheid verwijst naar het aantal producten dat door de fabrikant is voorverpakt. Wanneer je deze hoeveelheid koopt, leveren wij de producten in het originele pakket van de fabrikant.
|
Aantal in omdoos | 2 |
|---|
| Artikelnummer | 180341 | |
|---|---|---|
| EAN | 8711500881571 | |
| Merk | Philips | |
| Fabrikantnaam | BSN 400 K407-A2-ITS 230/240V 50Hz BC3 | |
|
i
Onze All-in garantie is volledig in de productprijs inbegrepen en dekt zowel verborgen gebreken als technische gebreken van het product die zijn opgetreden vóór levering. De garantietermijn verschilt per product en loopt uiteen van 1 jaar tot maximaal 7 jaar.
|
Lampdirect All-in garantie | 1 jaar |
|
i
De techniek geeft de werkingsbasis van een lichtbron aan. Het meest bekende en energiezuinige voorbeeld hiervan is LED. Andere technieken zijn onder andere halogeen, gasontlading, TL (fluorescerend) en de gloeilamp.
|
Techniek | Accessoire |
|---|---|---|
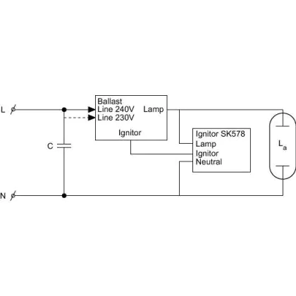
| Geschikt voor lamptype | CDM, CDO, HPI, MH, SON | |
| VSA voor lamptype | CDM, CDO, HPI, MH, SON | |
| Maximale Wattage Lamp | 400 | |
|
i
Wanneer je verlichting dimt, verbruikt een lamp / armatuur minder vermogen vanwege de lagere lichtsterkte. Met dimmen creëer je dus niet alleen een gezellige sfeer, maar bespaar je ook op jouw energiekosten. Het dimmen van LED kan op meerdere manieren:
Indien er sprake is van een lichtmanagementsysteem of een benodigd platform, dan vermelden wij dit altijd in de specificaties. |
Dimbaar | Niet Dimbaar |
| Aantal lichtpunten | 1 | |
|
i
Verlichting met een sensor brandt enkel wanneer deze een bepaald signaal krijgt. Dit zorgt voor minder energiekosten. De (ingebouwde) sensoren reageren op duisternis (schemerschakelaar) en/of op beweging (bewegingssensor).
|
Sensortype | Geen sensor |
| Type product | Accessoires - VSA HID Lampen |
| EOC8 | 88704400 | |
|---|---|---|
| Product Serie | BSN 400 |
Beschrijving Philips BSN 400 K407-ITS 230/240V 50Hz BC3-166
Philips BSN 400 K407-ITS 230/240V 50Hz BC3-166
Stap eenvoudig over op LED verlichting en bespaar op je energie- en onderhoudskosten. Zo kun je door het gebruik van LED energiebesparingen tot wel 70% realiseren! Ons brede assortiment bevat LED lampen die 1-op-1 je conventionele lichtbronnen kunnen vervangen. Daarnaast kun je bij ons terecht voor diverse LED armaturen die veel langer meegaan en razendsnel gemonteerd kunnen worden.
Wil je advies over dit Philips product of de overstap op LED en meteen weten hoeveel je kunt besparen? Neem dan contact op met onze lichtexperts!
Wil je grote aantallen bestellen?
Neem dan contact met ons op! Bij Lampdirect.be kun je verder gebruik maken van onze aantrekkelijke staffelkorting, waardoor je altijd zeker bent van de meest aantrekkelijke prijzen. Bij een project of een volledige overstap op LED verlichting maken wij uiteraard voor jou een passende offerte.
Lampdirect.be, dé LED-specialist voor jouw lampen en verlichting!